Telefon
Telegram
WhatsApp
İnstagram
GD350A-011G/015P-4

GD350A-011G/015P-4

Yeni İndirimli

GD350A-011G/015P-4

385,00 USD 958,00 USD

GD350A-011G/015P-4 INV 11/15kW 22A/32A 400V

Ürün Kodu : GD350A-011G/015P-4 INV 11/15kW 22A/32A 400V
Kategori : Ac sürücüler, Invt ac sürücüler, Gd350 serisi
Etiketler : GD350A , GD350A-011G/015P-4 , INVT GD350A SÜRÜCÜ
Stok : Stokta Var

• Tüm modellerde çıkarılabilir gelişmiş operatör paneli fiyatlara dahildir.

• Dahili Kategori EMC C3 filtre

• Yüklenebilirlik: Normal şart (P tipi) : 0 60 sn. için

• Ağır şart (G tipi) :0 yüklenme 60 sn , 0 yüklenme 10 sn, 0 yüklenme 1 sn

• Kontrol modu: V / f , açık çevrim vektör kontrollü , kapalı çevrim vektör kontrollü( opsiyonel)

• 37 kW ağır şart ve aşağısında dahili fren kıyıcı modülü

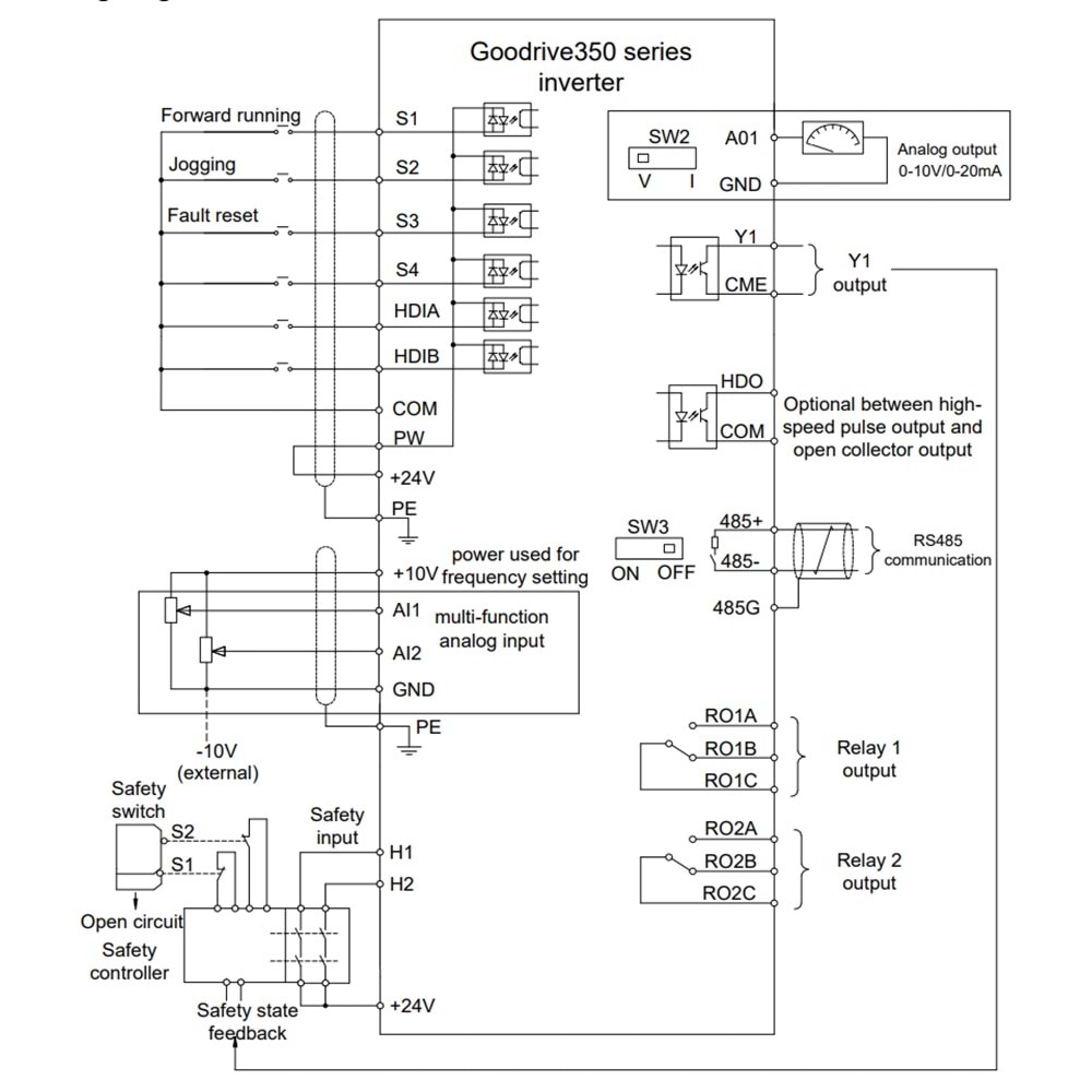
• Standart Modbus RTU ve ASCII destekli RS485 haberleşme

• Opsiyonel haberleşme çeşitleri ( Profibus,Bluetooth,CanOpen vb)

İndirilebir Dosyalar

Teknik Döküman
E-Katalog

Sipariş Formu